产品详情
描述:
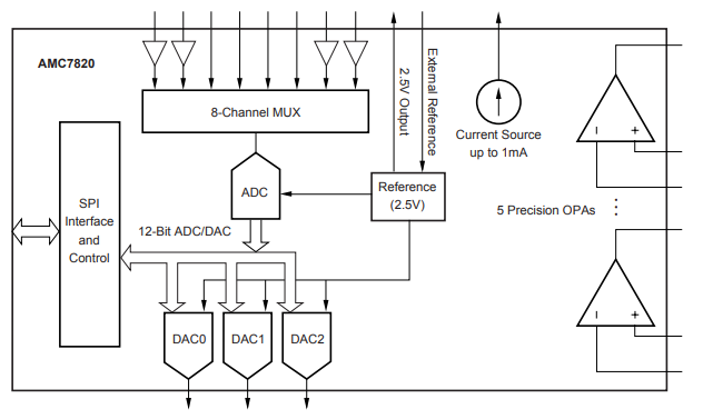
AMC7820 是一个完整的模拟监视和控制电路,包括一个 8 通道、12 位模数转换器 (ADC)、三个 12 位数模转换器 (DAC)、九个ADS7844EB运算放大器、一个热敏电阻电流源、内部 +2.5V 基准和 SPI 串行接口。可以应用外部参考。典型功耗为 40mW。对于 ADC,无缓冲模拟输入范围为 0V 至 +5.0V,缓冲模拟共模输入范围为 0V 至 +3.8V。对于 DAC,模拟输出范围为 0V 至 +2.5V 或 0V 至 +5.0V。
AMC7820 是低功耗和小尺寸至关重要的多通道应用的理想选择。AMC7820 采用 TQFP-48 封装,并在 –40°C 至 +85°C 温度范围内进行了全面规范和测试。
特性:
●100kHz 采样率 12 位 ADC
●8 个模拟输入通道
●三个 12 位 DACS
●九个运算放大器
●热敏电阻电流源
●内部 2.5V 参考
●SPI 串行接口
●3V逻辑兼容
●+5V 单电源
●低功耗:40mW
●TQFP-48 封装
应用:
●DWDM 中的 CW 激光器和泵浦激光器电流控制
●DWDM 中的 TEC 冷却器电流控制
●光功率监测
●可调激光器
参数:
ADC通道数:8
ADC 分辨率(位):12
DAC 通道数 (#):3
DAC:分辨率(位):12
温度传感:偏僻的
GPIO:0
接口类型:接口接口
特征:温度传感器
工作温度范围(℃):-40 至 85
ADC:采样率(KSPS):100
ADC:模拟输入范围(最小值)(V):0
ADC:模拟输入范围(最大)(V):5
DAC:建立时间(美国):3
DAC:输出满量程(Min)(V):0
DAC:输出满量程(最大值)(V):2.5, 5.0
