产品详情
描述:
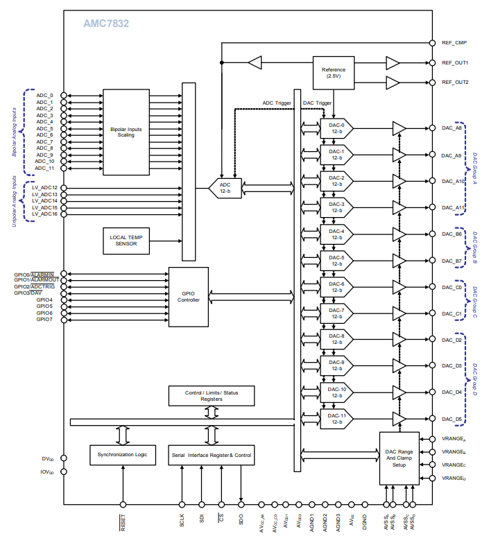
AMC7832 是一款高度集成的低功耗模拟监控和控制解决方案,包括一个具有可编程警报的 17 通道、12 位模数转换器 (ADC)、12 个 12 位数模转换器 ( DAC),输出范围为 0 至 +5-V、0 至 +10-V 或 –10 至 0-V、8 个 GPIO、内部基准和一个本地AD5262BRUZ20温度传感器通道。AMC7832 的高集成度显着减少了组件数量并简化了闭环系统设计。
AMC7832 非常适合对电路板空间、尺寸和低功耗至关重要的多通道应用。
AMC7832 的低功耗、高集成度和宽工作温度范围使其成为多通道射频通信系统中功率放大器 (PA) 的理想一体化低成本偏置控制电路。灵活的 DAC 输出范围允许该器件用作各种晶体管技术(如 LDMOS、GaAs 和 GaN)的偏置解决方案。AMC7832 功能集同样适用于通用监控系统。
对于需要不同通道数、附加功能或转换器分辨率的应用,德州仪器 (TI) 提供了完整的模拟监控 (AMC) 产品系列。
特性:
●十二个单调 12 位 DAC
○可选范围:0 至 +5-V、0 至 +10-V 和–10 至 0-V
○高电流驱动能力:高达 ±15mA
○可选钳位电压
●一个 12 位 SAR ADC
○17 个外部模拟输入
◆12 个双极输入:–12.5V 至 +12.5V 范围
◆5 个高精度输入:0 至 +5V 范围
○可编程超范围警报
●内部 +2.5V 基准
●内部温度传感器
○–40°C 至 +125°C 运行
○±2.5°C 精度
●八个通用 I/O 端口 (GPIO)
●低功耗 SPI 兼容串行接口
○4 线模式,+1.8V 至 +5.5V 操作
●工作温度范围:–40°C 至 +125°C
●提供 64 端子 HTQFP PowerPAD 封装
应用:
●通信基础设施:
— 蜂窝基站
— 微波回程
— 光网络
●通用监控和控制
●数据采集系统
参数:
ADC 通道数:17
ADC 分辨率(位):12
DAC 通道数 (#):12
DAC:分辨率(位):12
温度感应:当地的
通用输入输出:8
接口类型:SPI
特征:GPIO,温度传感器
工作温度范围(℃):-40 到 125
ADC:采样率 (KSPS):87
ADC:模拟输入范围(Min)(V):-12.5
ADC:模拟输入范围(最大值)(V):12.5
DAC:建立时间 (uS):10
DAC:输出满量程(Min)(V):-10
DAC:输出满量程(最大值)(V):10
