产品详细信息
描述:
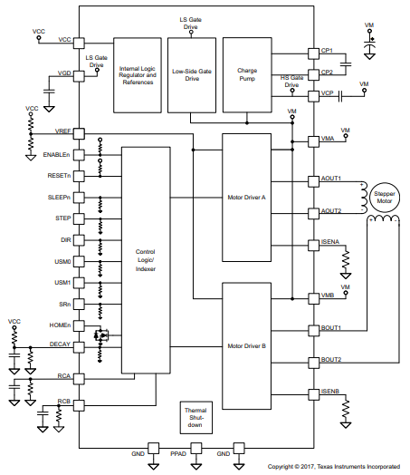
DRV8811设备为打印机、扫描仪和其他自动化设备应用提供了集成步进电机驱动器解决方案。该设备有两个H桥驱动器,以及用于控制步进电机的AO4620微步进索引器逻辑。
输出驱动器块由配置为全H桥的N沟道功率MOSFET组成,以驱动电机绕组。
一个简单的STEP和DIR接口可以方便地连接到控制器电路。步进模式引脚允许在全步进、半步进、四分之一步进或八步进模式下配置电机。衰减模式和PWM关闭时间可编程。
为过电流保护、短路保护、欠压锁定和过热提供内部停机功能。
DRV8811设备封装在PowerPAD中 28针HTSSOP封装,带热垫。
特征:
●脉宽调制(PWM)微步进电机驱动器
- 多达1/8步微步进索引器
- 步进和方向控制
- 可编程混合衰减、消隐和关闭时间
●每绕组电流高达1.9A
●低1.0-Ω (HS+LS)MOSFET RDS(开启)(25°C)
●8-V至38-V工作电源电压范围
●针对针与DRV8818兼容
●热增强表面安装组件
●保护功能:
- VM欠压锁定(UVLO)
- 过电流保护(OCP)
- 热关机(TSD)
应用:
●打印机
●扫描仪
●办公自动化机器
●游戏机
●工厂自动化
●机器人
参数:
全桥数量:2
Vs(最小值)(V):8
Vs ABS(最大值)(V):40
满量程电流(A):1.9
峰值输出电流(A):2.5
RDS(开启)(HS+LS)(mOhms):1000
睡眠电流(uA):12
控制模式:STEP/DIR
控制接口:硬件(GPIO)
微步进级别:8
特点:电流调节
工作温度范围(C):-40至85
◆DRV8811简化示意图

◆DRV8811功能框图
