产品详情
描述:
DRV8462 是一款宽电压、大功率、ADV7183BKSTZ高性能步进电机驱动器。该器件支持高达 65V 的电源电压,具有 100mΩ HS + LS 导通电阻的集成 MOSFET 在 DDW 封装下允许高达 5A 的电流;DDV 封装的电流高达 10A。
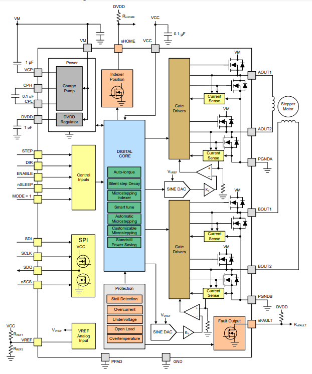
自动扭矩功能通过根据负载扭矩调整线圈电流来提高系统效率。静止省电模式可减少电机保持状态下的功率损耗。静音步进衰减模式保证无噪音操作。内部电流检测架构无需外部检测电阻,因此节省了 PCB 面积和系统成本。DRV8462 的内置分度器支持高达 1/256 微步,自动微步模式对输入 STEP 信号进行插值,以减少控制器 MCU 的开销。无传感器失速检测消除了系统的末端停止。该设备支持其他保护和诊断功能,以实现稳健可靠的操作。
DRV8462 只需极少的调整即可配置高级功能。高能效加上精确、无噪音的操作使 DRV8462 成为高性能步进电机系统的理想选择。
特性:
●步进电机驱动器
○带有 STEP/DIR 引脚的 SPI 或 H/W 接口
○高达 1/256 的微步进分度器
●4.5 V 至 65 V工作电源电压范围
●低 R DS(ON) : 100 mΩ HS + LS 在 24 V, 25°C
●每个桥的高电流容量:
○DDW 封装:5A满量程,3.5A RMS
○DDV 封装:10A满量程,7A RMS
●DDW 封装引脚对引脚兼容-
○DRV8452DDWR:48 V、5A 满量程
●集成电流感应和调节
○5% 满量程电流精度
●智能调谐和混合衰减调节选项
●静音步进衰减模式,可在静止和低速下静音操作
●步进频率插值的自动微步模式
●可定制的微步进分度器表
●用于负载相关电流控制的自动转矩
●静止省电模式
●支持 1.8V、3.3V、5.0V 逻辑输入
●低电流睡眠模式 (3 μA)
●独立的逻辑电源电压 ( VCC )
●保护和诊断功能
○无传感器失速检测
○VM 欠压锁定 (UVLO)
○开路负载检测 (OL)
○过流保护 (OCP)
○热关断 (OTSD)
○故障条件输出 (nFAULT)
○分度器零位输出 ( nHOME )
应用:
●纺织机械
●工厂自动化、步进驱动器和机器人
●医学成像、诊断和设备
●舞台灯光
●ATM 和货币柜台
●PLC
●打印机
●3D打印机
●户外网络摄像机
参数:
全桥数量:2
VS (分钟) (V):4.5
VS ABS(最大)(V):65
满量程电流 (A):5
峰值输出电流 (A):8
RDS(ON) (HS + LS) (毫欧):100
休眠电流 (uA):2
控制方式:步骤/目录
控制界面:硬件 (GPIO)、SPI
微步级别:256
特征:电流调节、集成电流检测、负载开路检测、智能调谐、失速检测
工作温度范围(℃):-40 到 125
◆DRV8462 简化原理图

◆DRV8462 功能框图
