产品详情
描述:
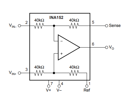
INA152 是一款小型、低功耗、单位增益AD1583BRTZ-REEL7差分放大器,由一个 CMOS 运算放大器和一个精密电阻网络组成。片上电阻器经过激光微调,以获得准确的增益和高共模抑制。电阻器的出色 TCR 跟踪可在整个温度范围内保持增益精度和共模抑制。输入共模电压范围扩展到正负轨以上,输出摆幅在任一轨的 50mV 以内。
差分放大器是许多常用电路的基础。INA152 无需使用昂贵的精密网络即可提供精密电路功能。
INA152 指定在扩展工业温度范围内工作,即-40°C 至 +85°C。
特性:
●SWING:在任一输出轨的 200mV 以内
●低失调漂移:±3uV/°C
●低失调电压:±250uV
●高 CMR:94dB
●低增益误差:0.01%
●低增益误差漂移:1ppm/°C
●宽电源范围:
○单路:2.7V 至 20V
○双路:±1.35V 至 ±10V
●MSOP-8 封装
应用:
●差分输入放大器构建模块
●单位增益反相放大器
●增益 = 1/2
●放大器增益 = 2 放大器
●加法放大器
●同步解调器
●电流和差分线路接收器
●压控电流源
●电池供电系统
●低成本汽车仪表
参数:
通道数 (#):1
VS (分钟) (V):2.7
VS(最大)(V):20
CMRR (最小值) (dB):80
共模输入低 (Min) (V):-20
共模输入高 (Max) (V):18
Iq (典型值) (mA):0.5
小信号带宽 (Typ) (MHz):0.8
压摆率 (Typ) (V/us):0.4
增益(最小值)(V/V):1
增益(最大值)(V/V):1
增益误差 (+/-) (最大值) (%):0.1
工作温度范围(℃):-40 至 85
增益漂移(最大值)(ppm/C):1
