产品详情
描述:
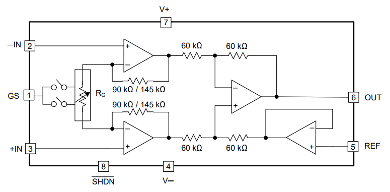
INA351 是一款具有集成参考缓冲器的AD7863ARS-10可选增益仪表放大器,可在小型封装的 INA351ABS 和 INA351CDS 变体中提供四种增益选项。INA351ABS 的增益选项为 10 或 20,INA351CDS 的增益选项为 30 或 50。可以通过切换增益选择 (GS) 引脚来选择这些增益选项。INA351 是桥式传感和差分到单端转换应用的绝佳选择。
INA351 采用精密匹配的集成电阻器构建,通过消除对精密或紧密匹配的外部电阻器的需求,节省了 BOM 成本、拾放机器处理成本和电路板空间。INA351 可以直接与低速 10 位至 14 位模数转换器 (ADC) 接口,是替代使用商品放大器和分立电阻构建的仪表放大器的分立实施的绝佳选择。
INA351 采用三放大器架构设计,针对提供性能进行了优化。该器件实现了 86 dB 的最小 CMRR 和准确的 0.1% 的最大增益误差,以及所有增益选项中 1.3 mV 的最大失调,同时仅消耗 135 μA 的最大静态电流。INA351 具有集成的关断选项,可在空闲时关闭放大器,从而在电池供电的应用中进一步节省电能。
特性:
●专为注重尺寸、成本和功耗的应用而设计
●具有集成参考缓冲器的可选增益选项
●节省空间的超小型封装选项
○10 针 X2QFN (RUG) – 3 毫米2
○8 针 WSON (DSG) – 4 毫米2
○8 针 SOT23-THN (DDF) – 4.64 毫米2
●针对 10 位到 14 位系统的优化性能
○CMRR:所有增益均为 95 dB(典型值)
○失调电压:所有增益均为 0.2 mV(典型值)
●带宽:G = 10 时为 100 kHz(典型值)
●驱动 500 pF,过冲小于 20%(典型值)
●优化的静态电流:110μA(典型值)
●省电应用的关断选项
●电源范围:1.8 V (±0.9 V) 至 5.5 V (±2.75 V)
●指定温度范围:–40°C 至 125°C
应用:
●桥梁网络传感
●差分到单端转换
●磅秤
●模拟输入模块
●穿戴式健身和活动监测仪
●血糖监测仪
●压力和温度传感
参数:
工作温度范围(℃):-40 到 125

注:INA351ABS为90 kΩ,INA351CD为145 kΩ。