产品详情
描述:
LMH6550 器件是一款高性能电压反馈ADM1028ARQ差分放大器。LMH6550 具有驱动高性能 ADC 所需的高速和低失真,以及通过 CAT 5 数据电缆等平衡传输线驱动信号的电流处理能力。LMH6550 可以处理多种视频和数据格式。
借助外部增益设置电阻器,LMH6550 可用于任何所需的增益。获得灵活性加上高速使 LMH6550 适合用作高性能通信设备中的 IF 放大器。
LMH6550 采用节省空间的 SOIC 和 VSSOP 封装。
特性:
●400 MHz –3 dB 带宽(V OUT = 0.5 V PP)
●90MHz 0.1dB 带宽
●3000 V/μs 转换率
●8 ns 稳定时间至 0.1%
●–92/–103 dB HD2/HD3 在 5 MHz
●10 纳秒关断/启用
应用:
●差分AD驱动器
●双绞线视频
●差动线路驱动器
●单端差动转换器
●高速差分信号
●IF/RF放大器
●SAW滤波器缓冲器/驱动器
参数:
通道数 (#):1
总电源电压(最小值)(+5V=5,+/-5V=10):4.5
总电源电压(最大值)(+5V=5,+/-5V=10):12
BW @ Acl (兆赫):400
Acl,最小规格增益 (V/V):1
转换率(典型值)(V/us):3000
建筑学:全差分 ADC 驱动器,双极性
平带 Vn(典型值)(nV/rtHz):6
每通道 Iq(典型值)(mA):20
轨到轨:不
Vos(失调电压@ 25 C)(最大值)(mV):5
工作温度范围(℃):-40 至 85
Approx. price (USD):1ku | 2.301
输出电流(典型值)(毫安):75
二次谐波 (dBc):92
三次谐波 (dBc):103
谐波失真测量频率(MHz):5
GBW(典型值)(MHz):400
输入偏置电流(最大值)(pA):16000000
特征:关闭
CMRR(典型值)(分贝):82
◆LMH6550典型应用示意图

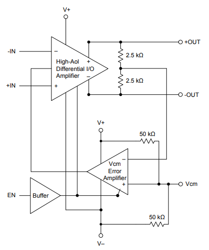
◆LMH6550功能框图
