日前,ADI宣布推出一款针对 3D 深度传感和计算机视觉应用的飞行时间 (ToF)传感器模块ADTF3175。该器件采用 1MP CMOS iToF,深度范围为 0.4 至 4m,精度为 ±3mm,产品可用于工业机器人、医疗保健和增强现实等应用。

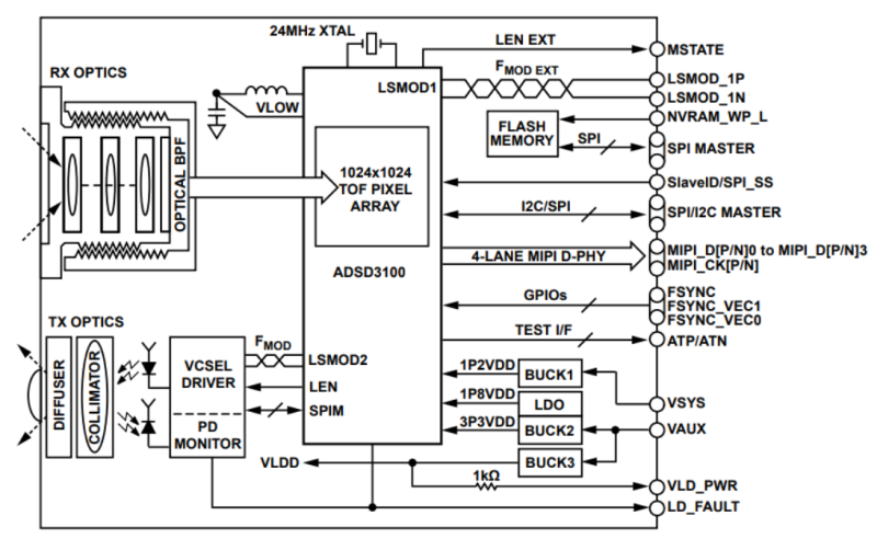
该 3D 相机模块基于 ADSD3100,它是一款基于 1MP CMOS ToF 的 3D 深度和 2D 可见光成像器。ADSD3100 包括内置于芯片中的 ADC、像素偏置电路和传感器控制逻辑,以使其具有成本效益并简化产品集成。

ADTF3175则包括用于成像器的镜头和光学带通滤波器、结合光学器件、激光二极管、激光二极管驱动器和光电探测器的红外照明源以及用于电源电压的功率调节器。

摄像头模块使用 4 通道 MIPI CSI-2 来处理输出到主机系统的图像数据。该模块支持 4 线 SPI 和 I2C 对器件进行编程和操作。
产品公告还指出,ADTF3175“利用 Lumentum的最先进的三结垂直腔面发射激光器 (VCSEL) 技术,能够在各种照明条件下进行传感。”
对于软件开发而言,ADI 提到他们将提供用于实现整个系统的开源参考设计,包括必要的驱动程序和对 ADI 深度处理软件的访问。
ADTF3175 3D 深度模块的相关关键特性:
传感器:ADI ADSD3100 CMOS iToF 成像仪
最大分辨率:1024 × 1024 (1MP)
像素大小:3.5 微米 × 3.5 微米
视野:75 × 75 度
深度范围:0.4m 至 4mm(深度噪声最大 15mm,最小反射率 15%,<5 klux 等效日光)
深度精度: ± 3 mm(在整个深度范围内)
输入/输出外设:4 通道 MIPI CSI-2(每通道高达 1.5Gbps)、4 线 SPI 和 2 线 I2C 串行
存储:用于启动的 NVM (Flash)
其它功能:
带 940nm 带通滤光片的成像器镜头组件
带眼睛安全支持的照明组件
用于本地成像器和照明导轨的电源调节器
1024×1024 和 512×512 分辨率的校准模式
工作电压:3.3V
工作温度:-20°C 至 65°C
尺寸:42mm×31mm×15.1mm
根据产品公告,ADT3175 模块的千片批发价为 197 美元。