A-Delta系列马达
A-Delta系列马达采用双区段设计,在保证产品紧凑性的前提下,通过零件的高强度设计和采用特殊高压密封件使产品在高空作业车平台应用上获得最佳的可靠度。针对高空作业平台的工作特点,进行特殊性能参数的设计改善,包括传动件、摆线付技术参数、密封技术等,马达在低速稳定性、高压工况下的高效率及传动件的抗冲击性等都具有卓越的性能。

驱动轴设计、轴承设计相比市场上的同类产品采用更高规格的设计标准,彻底避免在传动部分的失效发生,有效保证产品寿命。
补偿盘设计随压力升高逐步增加平面的压紧作用力,有效减少高压力的内部泄漏,确保高压工况的产品效率。
特殊的间隙设计,减少零件间面间泄漏,保证产品的低速稳定性。
马达联动轴在参数设计、材料选择及热处理工艺上均考虑到增强其耐磨性的要求,有效减少了磨损物的产生,对马达寿命及整个液压系统的寿命改善均有重要作用。
马达采用了特殊的高压轴封,有超过十年的市场应用验证,同时通过了公司的强化工程试验验证,保证了马达的耐高压性能。
马达前端轴承位置设计在轴封外端,这样在同样负载的情况下可有效降低轴承承受的侧向载荷作用力,同时降低轴封处的输出轴跳动量以及输出轴的挠性变形量,可保证轴承处于更好的应用状态,从而提高了轴承的使用寿命。
双区段设计,提高产品的性价比

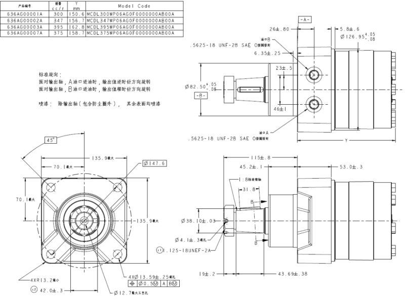
马达参数 ✦

外形参数 ✦
