SX-23BT面向物联网终端设备Bluetooth® v5.0低功耗 自带微处理器蓝牙模块

(Wireless LAN Module无线LAN模块规格一览表)










SX-23BT搭载了瑞萨电子公司(以下称为瑞萨)的32位RX微处理器「RX23W」,是支持Bluetooth® v5.0的低功耗、自带微处理器的蓝牙模块。本产品配备了无线芯片天线,计划获得无线通信设备所需的无线电法规认证。因此,采用本产品的物联网设备制造商,可以降低需要专业知识的海外无线电法规认证相关的工作成本。另外,关于本产品的开发,可以使用瑞萨「RX23W」的开发环境和软件资源,以及瑞萨发布的丰富的应用程序开发支持工具,因此可以高效地进行物联网设备的产品开发。此外,本产品采用0.7mm间距的LGA封装,减少了印刷电路板的层数,可以使用现有的制造设备,因此可以降低目标设备的总BOM成本和制造成本。
在医院、工厂、办公室等需要高数据可靠性的环境中,对于所使用的医疗设备、传感器和远程控制等物联网设备,网络安全威胁日益严重。本产品搭载了硬件高速加密处理功能,实现了强大的密钥管理,因此可以轻松地实现针对这些安全威胁的对策。
产品特点:
硬件功能
搭载瑞萨电子的RX23W
ROM 512KB / RAM 64KB
E2闪存8KB
可靠的安全IP Lite(AES / TRNG)
Bluetooth® v5.0 低能耗全功能支持
内置Bluetooth® 专用AES-CCM(128位)加密电路
采用0.7mm间距的LGA封装
可以选择芯片天线和外置天线端子
主要接口
USB2.0全速 x 1
CAN x 1
SD Host 接口 x 1
无线电法规认证(计划获得)
※ 关于上述国家以外的无线电法规认证,请与本公司联系。
TELEC(日本)
FCC(美国)
ISED(加拿大)
CE(欧洲)
支持工业温度(-40℃ ~ 85℃)
产品规格:
型号 | SX-23BT |
|---|---|
MCU | 瑞萨电子 RX23W |
内存 | 512KB ROM / 64KB RAM(内置MCU) |
Bluetooth® | 符合Bluetooth® v5.0 低能耗Class2标准 |
天线端子 | 芯片天线 x 1 |
接口 | USB2.0 FS(Host/OTG) x 1 |
工作电压 | DC 3.3V |
外形尺寸 | 16mm x 10mm x 2.7mm |
包装 | 表面贴片型 |
本文所提及的公司名称及产品名称都为各公司的注册商标或商标。
规格如有变更,恕不另行通知。
尺寸图

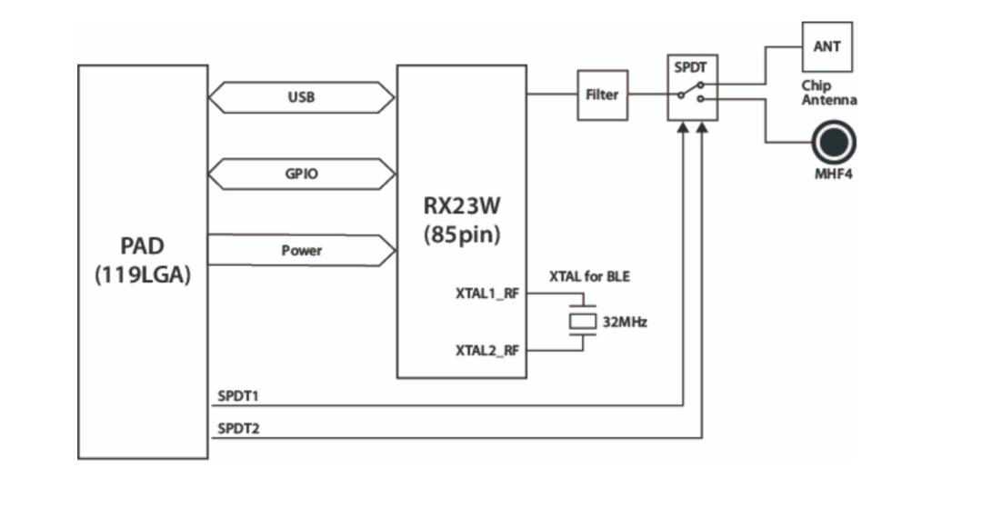
电路框图

软件功能和开发环境
关于本产品的开发,我们拥有丰富的开发支持工具,包括瑞萨发布的「RX23W」开发环境和评估工具,各种软件(蓝牙驱动程序/配置文件,各接口的驱动程序,示例代码)。
※ 关于瑞萨RX23W微处理器,请访问瑞萨电子公司官方网站。
产品阵容
型号 | 类型 | 销售单位 | 包装 |
|---|---|---|---|
SX-23BT | 量产 | 1,000片 | 卷轴 |
SX-23BT-SP | 评测样品 | 10片 | 切割胶带 |
SX-23BT-EVK | 评测套件 | 1片 | 单个包装 |
SX-23BT评测板:SX-23BT-EVK
关于本产品的基本评估和试用开发,本公司准备了评测板。
除了FINE接口连接器以外,还配备了可用于访问MCU信号针的通孔。
通过将传感器等零件连接到此评测板,可以轻松制作物联网设备的原型机。