"四可"标准下的升维竞争:安科瑞智能监控平台如何重构分布式光伏电站运营范式

2025-06-24 10:20:30
关注

安科瑞戴婷 Acrel-Fanny

多地要求分布式光伏具备“四可”功能,可什么是光伏“四可”呢?

光伏“四可”是指分布式光伏发电系统需具备的“可观、可测、可调、可控”四大能力,旨在提升电网对光伏发电的调控能力,解决并网消纳难题,保障电力系统安全稳定运行。以下是具体解析:

一、光伏“四可”的定义与核心要求

  1. 可观
  2. 指对光伏系统的运行状态进行实时监测和可视化展示,包括发电量、设备状态(如逆变器、组件温度)、气象条件等数据采集。通过先进监测设备,运营者或电网可全面掌握系统运行信息,为故障诊断和效率优化提供基础136。
  3. 可测
  4. 要求对光伏系统的电压、电流、功率、频率等参数进行高精度测量,并实现分钟级数据采集。这些数据是分析系统性能、预测发电能力及异常检测的关键127。
  5. 可调
  6. 通过柔性调节手段(如调整逆变器输出功率),灵活应对电网需求变化。例如,在午间发电高峰时降低出力,避免电网电压抬升或逆流问题,优化就地消纳能力146。
  7. 可控
  8. 强调对系统的刚性控制能力,包括远程开关机、功率限制等操作。在紧急情况下,电网可通过专用断路器切断并网,确保主网电压与频率稳定237。

二、政策背景与实施意义

  1. 政策驱动
  2. 2024年国家能源局发布的《分布式光伏发电开发建设管理办法(征求意见稿)》首次明确“四可”技术标准体系,随后江苏、山东、陕西等省份相继要求新建及存量项目需满足“四可”功能。其中,山东早在2021年便提出类似要求,推动分布式光伏有序并网158。
  3. 解决电网痛点
  4. 分布式光伏快速增长导致台区反向重过载、电压越限等问题。通过“四可”改造,可协同优化消纳能力,减少对配电网的冲击,并支持未来参与电力市场辅助服务(如调峰)468。
  5. 经济效益
  6. 改造后发电效率可提升约5%,运维成本降低20%,同时通过参与电网调度获得额外收益。但存量电站改造成本分担机制尚未明确,可能影响投资者积极性46。

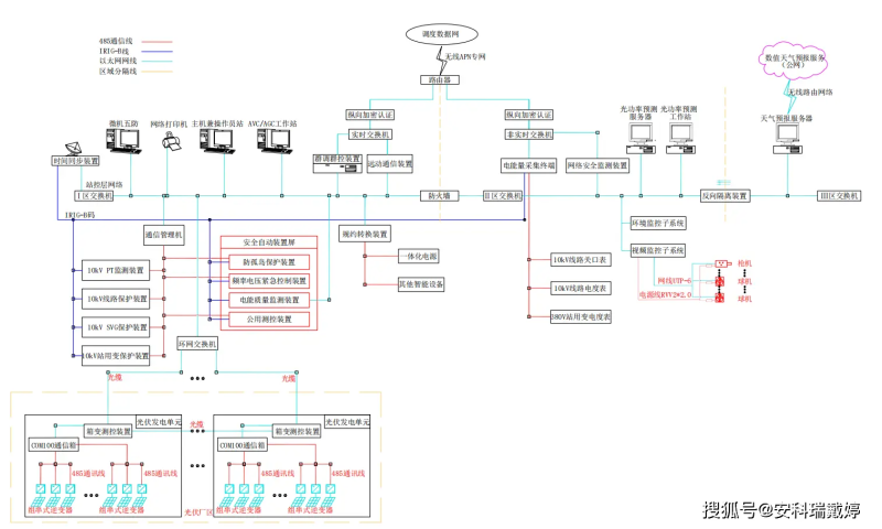
三、安科瑞针对光伏"四可"时代,重新定义智能监控全覆盖

  1. 解决方案
  • 针对用户新能源接入后存在安全隐患、缺少有效监控、发电效率无法保证、收益计算困难、运行维护效率低等通点,提出的Acrel-1000DP分布式光伏监控系统平台,对整个用户电站全面监控,为用户实现降低能源使用成本、减轻变压器负载、余电上网,提高收益;节能减碳,符合国家政策。

分布式光伏监控系统解决方案:

①全站安全稳定运行:继电保护及安全自动装置

②发电效益与收益:逆变器监测与箱变测控、光功率预测、防逆流保护与控制策略

③标准规范并网:AGC/AVC控制系统、调度自动化、安全防护

④全站电力监控与运维:环境辅控系统、视频监控系统


2.系统功能

防逆流柔性调节

--应用场景

新能源并网时,光伏或储能发电不允许上送电网时采用防逆流控制策略,降低光伏发电量,或增加可调负荷投入。

--控制策略:

市电处监测防逆流指标,根据逆功率或低功率判断逻辑降低光伏有功发电。通过系统调节光伏电场的有功出力。

如光伏电场只有一个光伏并网点,则将有功指令下发给该并网点协调控制器,由协调控制器将指令分配到每台光伏逆变器。

如电场有多个光伏并网点,则采用不同的策略,如按比例、按裕度等,将总的有功目标分配到每个光伏并网点协调控制器。由光伏协调控制器根据光伏的运行状态及有功指令自行控制光伏逆变器的功率输出或启停。

光功率预测系统

根据GB/T19964《光伏发电站接入电力系统的技术规定》:中期光伏功率预测结果,第10日月平均准确率应不低于75%。

短期光伏功率预测结果,日前月平均准确度应不低于85%,日前预测月平均合格率应不低于85%。

超短期光伏功率预测结果,第4h预测月平均准确率应不低于90%,第4h预测月平均合格率应不低于90%。

目前我司预测系统精确度,中期预测合格率在85%;短期预测合格率在90%以上;超短期预测合格率在92%以上,符合标准要求。

全站综合监测

展示光伏电站名称、位置、逆变器数量等基本信息;

统计当前光伏电站日、月、年发电量;

按汇流数据分散分析每组光伏组件发电功率以及工作状态。

并网点电能质量分析

监测站内电能质量检测仪所采集数据,如电压有效值,偏差率,谐波畸变率,电流有效值,分相功率,总功率等;

通过柱状图展示电能质量检测仪谐波和间谐波各频谱;

通过曲线图展示三相电流/电压谐波数据、实时负荷曲线、有效值/波动/偏差/闪变等参数;

展示所选站点下全部电能质量检测仪所有暂态事件。

逆变器运行监测

监测整个光伏阵列各个组件的电压、电流、功率等电参量信息;

监测逆变器当前输入功率、输出功率、温度及当前状态等信息;

监测逆变器交直流侧电参量信息。

逆变器运行分析

展示逆变器交流侧总有功功率曲线;

展示逆变器直流侧电压曲线;

展示当前光伏发电站所处环境温度曲线;

综合分析环境对光伏发电的影响。

四、硬件介绍

五、总结

Acrel-1000DP融合实时监测、精准控制、智能分析与安全防护,构建了从设备层到云平台的全链条管理体系。其在宜宾高新区等项目的成功应用表明,该系统不仅提升了光伏电站的运维效率与发电收益,还为电网的可靠运行与能源转型提供了技术支撑,成为分布式光伏领域智能化升级的典范。

您觉得本篇内容如何
评分

评论

您需要登录才可以回复|注册

提交评论

安科瑞戴婷18706168553

公司具备从云平台软件到终端元器件的一站式服务能力,形成了“云-边-端”的能源互联网生态体系,目前已有14000多套系统解决方案运行在全国各地,为企业节能降耗和实现能源数字化建设提供数据服务。

最近发布
查看更多
广告

安科瑞戴婷18706168553

公司具备从云平台软件到终端元器件的一站式服务能力,形成了“云-边-端”的能源互联网生态体系,目前已有14000多套系统解决方案运行在全国各地,为企业节能降耗和实现能源数字化建设提供数据服务。

关注

点击进入下一篇

现在如何投资无人机行业:深入解析无人机ETF

提取码
复制提取码
点击跳转至百度网盘