安科瑞开口式BA系列交流电流传感器 4-20ma/0-5v输出 可选配485通讯

2025-04-27 14:44:16
关注
摘要 开口式 BA 系列产品应用电磁感应原理,对电网中的交流电流进行实时测量,采用恒流和线性补偿技术,将其隔离变换为标准的直流信号输出。DC12V 或 24V 安全电压,可广泛用于工业自动化领域。

安科瑞 刘芳 咨询家:acrel-js

1产品概述

开口式 BA 系列产品应用电磁感应原理,对电网中的交流电流进行实时测量,采用恒流和线性补偿技术,将其隔离变换为标准的直流信号输出。DC12V 或 24V 安全电压,可广泛用于工业自动化领域。

2型号说明

3技术条件

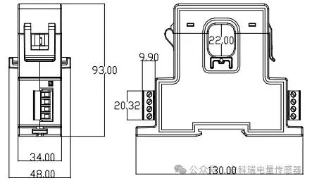
4外形尺寸

4.1 BAK20-AI 外形尺寸

4.2 BAK50-AI 外形尺寸

您觉得本篇内容如何
评分

评论

您需要登录才可以回复|注册

提交评论

广告
提取码
复制提取码
点击跳转至百度网盘