最近,随着韩国团队公布据称具有常温超导潜力的LK-99材料以及其制备方法后,在全世界的科研界掀起了一阵旋风,各个团队都试图从实验和理论角度证实(或者证伪)LK-99的常温超导特性。
LK-99成为全球科研界关注焦点的主要原因在于常温超导,如果真的实现,将会使得超导的实现门槛大大降低,从而让诸多基于超导的应用得到广泛应用。而在这些基于超导的应用中,和半导体行业关系最大的,可谓就是量子计算机了。
量子计算机和常规计算机的主要不同在于,常规计算机中每一个数字位仅仅代表1bit信息,该数字位要么是0,要么是1。所有基于常规计算机(图灵机)的算法也是基于这样的假设去设计的,而事实上这样的假设带来了一些计算上的限制,这也导致了许多重要的问题使用图灵机的算法求解无法在合理的时间内完成计算。这其中就包括了一系列科学计算问题(例如化合物性质模拟,量子过程模拟等),最优化问题(例如最短路径以及交通最优规划等)以及解密计算等。这些问题通常称之为NP问题,即使用图灵机无法在多项式时间复杂度之内完成计算的问题(一般认为在计算时间与计算规模之间呈多项式关系的问题都是可以在可控时间内完成计算,而如果计算的时间与计算规模呈指数关系那么就无法在合理的时间内完成计算了)。
为了解决这些常规图灵机无法在合理时间内完成计算的问题,量子计算机就应运而生了。量子计算机中,不再使用畅通的数字位,而是使用量子位(qubit)。量子位和传统的数字位最大的不同在于量子位可以实现状态叠加,即一个量子位可以同时处于0状态或者1状态,而仅仅在读出结果的时候会根据各个状态的概率分布回归到1或者0。
因此,利用量子位这样神奇的特性,量子计算机可以在多项式时间内完成一系列NP问题的求解,从而在需要使用NP算法的重要领域(包括前面提到的科学计算和最优化问题)中发挥极其重要的作用,让之前无法精确求解的问题能完成精确求解。
目前,已经有谷歌、IBM、IMEC等全球顶尖的科研机构完成量子计算机原型机的制备,而在这些主流的量子计算机中,量子位都是通过超导实现的。具体的原理是,量子位使用超导LC谐振网络实现,这样的超导LC网络在约瑟夫森效应的作用下将会有量子化的能量状态,从而能表征量子化的0和1。
在常温超导出现之前,超导需要的温度很低(通常非常接近绝对零度,例如10mK级别),在这样的条件下量子计算机需要巨大的冷却设备,从而限制了量子计算机的发展和普及;因此如果常温超导真正实现,将会成为该领域重要的推动力。
谷歌的超导量子计算机,需要在10mK的超低温下运行
超导量子计算机芯片设计
众所周知,目前计算机架构中的主要组成部分(包括处理器,存储器)都由半导体芯片实现,而在使用超导的量子计算机中,也离不开半导体芯片。
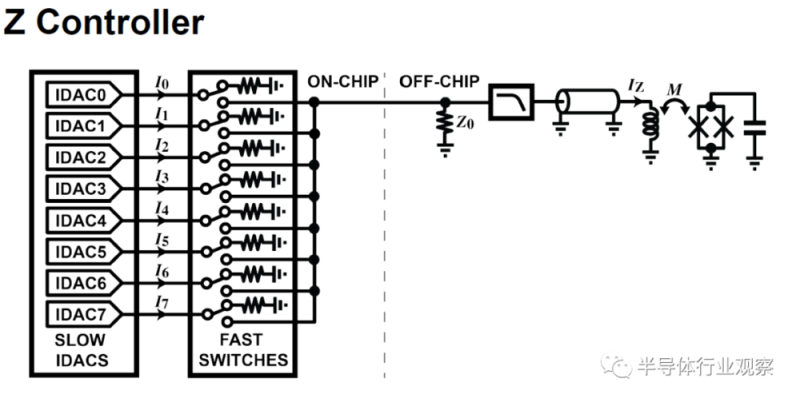
如前所述,量子位可以由超导LC谐振电路实现,而对于量子位的控制则可以通过给超导LC电路注入不同的激励信号来实现。具体来说,需要给量子位的LC谐振电路注入交流信号(XY)和直流信号(Z)。交流信号通常是一个经过调制的脉冲,而直流信号则需要能完成精确控制幅度。这样的量子位控制经由基于半导体的ASIC芯片来实现。

在量子位控制ASIC中,芯片要实现的主要功能是高信噪比的信号调制:其中XY通路需要产生脉冲,而Z通路则主要是直流信号。事实上,这样的需求在目前的无线通信应用中已经非常常见,因此量子位控制ASIC的电路设计事实上和射频电路也很类似。
举例来说,谷歌的量子计算团队在今年的ISSCC上发布了其最新一代的量子位控制ASIC电路设计。XY通路方面,电路架构和射频芯片中的IQ调制发射器很接近:首先在基带使用数模转换电路(DAC)将数字信号转换为模拟基带信号,然后模拟基带信号再通过上变频电路变频到射频频率(通常是5-7 GHz范围),并且用这样的射频调制信号去控制XY通路。

在Z通路方面,由于需要精确控制Z的直流值,电路可以使用数模转换电路将数字控制信号直接转换成相应的模拟信号。

由此可见,量子计算离不开半导体芯片来控制量子位,这样的控制是通过产生调制脉冲信号或者直流信号来完成的,这样的过程和无线通信很接近,因此主流的量子位控制电路和无线通信中的射频电路也很接近。
量子位控制芯片的挑战
量子位控制芯片设计可以参照目前已有的射频电路,但是也有自己的挑战。
清华大学团队研发的低温超导量子计算机量子位控制芯片,发表在ISSCC 2023上
首先,目前的超导都需要在几乎是绝对零度的温度下工作,考虑到制冷设备,量子位控制芯片也需要在接近绝对零度的条件下工作(3-4 K)。但是,目前主流芯片设计PDK中的晶体管建模的低温范围仅仅覆盖到零下40度(即233 K),离量子位控制芯片需要的3-4 K相距甚远。如果没有好的PDK建模,势必会对量子位控制芯片设计带来挑战。
PDK第一步需要解决基本建模的问题,即在如此低的温度条件下,一个典型的晶体管行为(包括电流、噪声、非线性等)是怎样的。在完成基本建模之后,PDK还必须要提供低温条件下晶体管行为的统计建模,包括晶体管的mismatch、不同工艺角下的晶体管性能差异,而如果要进一步扩大量子计算机的规模,需要使用更大的量子位控制芯片,那么大规模芯片上的工艺差异建模也会变得重要。这一步将会是量子位控制芯片进入量产的重要一步。
目前,超导量子计算机以及相关芯片的设计主要由高校以及科技公司(例如谷歌、IBM)的相关研究部门主导,常用的半导体芯片工艺是成熟的28nm。为了让超导量子计算机真正进入量产,半导体行业的相关公司(包括EDA、代工厂等)也必须能有相应的动作。在这个方向,Synopsis已经和英国的其他六个高校研究机构组成了一个低温芯片研发团队,其中由Synopsis提供基于TCAD的EDA能力,帮助完成低温半导体相关的建模工作,目标是能够在未来提供经过验证的低温半导体芯片IP,从而加速整个超导量子计算机的研发。
除了低温之外,量子位控制芯片的噪声和非线性性能也很重要:量子位的一个关键指标就是保真度(fidelity),为了实现量子位数量的提升,每个量子位的保真度都必须做到99.9%或者更高,否则量子计算机会由于每个量子位保真度不够而无法完成有效的计算;而量子位的保真度和量子位控制芯片的噪声和非线性性能息息相关。
由于量子位控制芯片和射频芯片架构相似,因此在射频芯片中出现的噪声和非线性问题也会同样出现在量子位控制芯片中。为了确保保真度达到标准,量子位控制芯片的信噪比(SDR)要到达35dB以上,这就需要量子位控制芯片中的每个模块(例如DAC、LO等)都有很好的噪声和线性度,同时从架构角度也要保证LO泄漏等指标要足够低。
最后,从冷却角度考虑,量子位控制芯片的功耗也不能太大。在低温超导计算机中,量子位控制芯片的功耗如果太大,则其散发的热量会超过冷却设备的能力范围,从而让超导量子位的温度过高而无法真正工作在超导状态。通常来说,需要量子位控制芯片的功耗控制在10-20 mW/qubit以下来满足温度控制的需求。

常温超导若实现,将推动量子位控制芯片快速发展
前述的超导量子计算机和量子位控制芯片都需要工作在接近绝对零度温度范围里,而如果常温超导(例如LK-99的超导性真正被验证)实现并且可以用来制造量子位的话,超导量子计算机可望会获得跨越式发展。在常温超导的条件下,目前量子计算机中需要的超低温冷却设备就无须再使用,这就大大降低了量子计算机制备的门槛,让更多机构有机会能加入量子计算机的研发工作。
从另一个角度来看,即使超导的门槛降低了,但是对于量子位控制芯片的需求并没有变低:目前量子计算机的一个重要瓶颈就是量子位和相关处理的保真度,因此量子位控制芯片的性能至关重要。如果LK-99这样的常温超导真的变成现实且使用在量子计算机里面,我们预计对于量子计算机芯片有如下影响:
如果量子位控制芯片可以在常温下工作,这对于相关芯片器件建模的要求降低了(即可以使用已经经过大量验证的常温PDK来实现设计),另外对于量子位控制芯片的功耗要求也可能会更宽松一些(由于只需控制在常温下工作,因此散热的需求降低了)。
超导量子计算机性能提升的需求会大幅加快,在这个角度来看量子位保真度需求更高了(例如如果需要把量子位数量提升到上千个,则保真度可能99.9%已经不够用,需要到99.99%甚至99.999%),这就对于量子位控制芯片的性能提出了更高的需求:信噪比,线性度等等都需要大幅提高来满足需求
最后,量子位控制芯片的电路设计会进一步进化,来满足量子计算机的需求。量子位控制芯片会进一步从无线通信芯片电路的已有研究中获取灵感,同时也会需要能够解决自己独特的挑战。随着越来越多的科研团队关注超导量子计算,预计该领域会成为芯片电路研究领域一个新的热门方向。
本文来自微信公众号:半导体行业观察 (ID:icbank),作者:李飞