产品详情
描述:
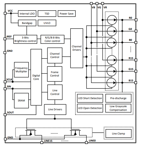
LP5891-Q1 是一款高度集成的共阴极 LED 矩阵驱动器,具有 48 个恒流源和 16 个扫描 FET。LP5891-Q1 实现高速上升沿传输接口,以支持大量器件菊花链连接,同时最大限度地减少电磁干扰 (EMI) 和 40 MHz 至 160 MHz 的内部 GCLK 速率范围。该器件还在操作期间实现 LED 开路/弱短路/短路检测和移除。
LP5891-Q1 是一款高度集成的共阴极矩阵 LED 显示驱动器,具有 48 个恒流源和 16 个扫描 FET。除了像 LP5890 一样驱动 16 × 16 和 32 × 32 RGB LED 像素外,三个 LP5891-Q1 器件还能够驱动 48 × 48 RGB LED 像素,堆叠四个 LP5891-Q1 器件可以驱动 64 × 64 RGB LED 像素。为了实现低功耗,该器件通过其共阴极结构支持为红色、绿色和蓝色 LED 提供单独的电源。此外,超低工作电压范围(Vcc 低至 2.5 V)和超低工作电流(Icc 低至 3.6 mA)显着降低了 LP5891-Q1 的工作功率。
LP5891-Q1 实现高速上升沿传输接口,以支持高器件数菊花链和高刷新率,同时最大限度地减少电磁干扰 (EMI)。该器件支持高达 50 MHz 的 SCLK(外部)和高达 160 MHz 的 GCLK(内部)。同时,该器件集成了增强型电路和智能算法,解决了窄像素间距(NPP)LED显示应用以及mini和micro-LED产品中的各种显示挑战:第一扫描线暗淡、上下重影、画面不均匀等。 LED 开路或短路导致的低灰度、耦合、毛毛虫,使 LP5891-Q1 成为此类应用的完美选择。
LP5891-Q1 还在操作期间实现 LED 开路/弱短路/短路检测和移除,并且还可以将这些信息报告给附带的AD210JN数字处理器。
特性:
●符合 AEC-Q100 标准的汽车应用:
○温度等级 1:–40°C 至 +125°C,T A
●独立的 V CC和 V R/G/B电源
○V CC电压范围:2.5 V – 5.5 V
○V R/G/B电压范围:2.5 V – 5.5 V
●48 个电流源通道,从 0.2 mA 到 20 mA
○通道间精度:±0.5%(典型值)、±2%(最大值);器件间精度:±0.5%(典型值)、±2%(最大值)
○低拐点电压:当 I OUT = 5 mA时为 0.27 V(最大值)
○3 位(8 级)全局亮度控制
○8 位(256 级)颜色亮度控制
○最大 16 位(65536 步)PWM 灰度控制
●具有 190mΩ R DS(ON)的 16 个扫描线开关
●超低功耗
○独立的 V CC低至 2.5 V
○最低 I CC低至 3.6 mA,具有 50-MHz GCLK
○智能省电模式,I CC低至 0.9 mA
●内置 SRAM 支持 1–64 多路复用
○单个设备支持 48 × 16 LED 或 16 × 16 RGB 像素
○双器件可堆叠以支持 96 × 32 LED 或 32 × 32 RGB 像素
○三个器件可堆叠以支持 144 × 48 LED 或 48 × 48 RGB 像素
○四个器件可堆叠以支持 192 × 64 LED 或 64 × 64 RGB 像素
●高速和低 EMI 连续时钟系列接口 (CCSI)
○只有三根线:SCLK/SIN/SOUT
○具有上升沿传输机制的外部 50-MHz(最大)SCLK
○内部倍频器支持高频GCLK
●LED 矩阵显示器的优化性能
○上行和下行重影去除
○低灰度增强
○LED 开路、弱短路、短路检测和移除
应用:
●汽车内部灯
●汽车尾灯
●汽车局部调光背光
参数:
通道数 (#):48, 16
评分:汽车
工作温度范围(℃):-40 到 125
Approx. price (USD):1ku | 7.056
Iq(典型值)(毫安):5.5
