文/杨延京 中国国家博物馆安全保卫部 高级工程师
博物馆是集文物征集、收藏、研究、展示、考古于一体的大型建筑, 耐火等级为一级,火灾自动报警为一级保护对象,采用控制中心集中报警系统。博物馆消防系统工程包括火灾自动报警及联动控制系统、紧急广播(含公共广播及背景音乐)系统、消防电话系统、消防泵巡检控制系统、消火栓系统、自动喷水灭火系统(湿式、预作用喷淋系统)、水喷雾系统、雨淋系统、大空间智能灭火系统、气体灭火系统等。
博物馆消防系统设备构成图:

一、火灾自动探测及报警系统:
1、智能感烟探测器:布置于展厅、大厅、走廊、办公、机房、管井、前室、库房等场所,探测器分10级灵敏度手动可调,感烟探测器使用两年后每三年清洗一次。


2、智能感温探测器:分为智能感温探测器和普通感温探测器两种,感温探测器受环境温度影响在70℃时报警。智能感温探测器设置在气体防护区、锅炉房、厨房、柴油发电机房等场所;普通感温探测器设置在地下车库。
3、智能燃气探测器:在锅炉房燃气表间和食堂厨房间分别设置有可燃气体探测器。
4、智能红外对射感烟探测器:设置在展厅或大厅等高大空间。
5、手动报警按钮:在每个防火分区中均设至少一个手动报警按钮,每个手动报警按钮均带有地址,手动报警按钮带有与消防控制中心直通的电话插头。


6、吸气式早期探测系统:传统探测器的探头需要带电运行,且易受电磁干扰,具有不安全隐患和误报的可能性。而吸气式早期探测系统是通过不带电的PVC管网进行采样探测,且设备本身也通过了国际EMC电磁兼容性认证,不存在上述问题。吸气式早期探测系统主要设于主干线电缆线槽、高大空间的展厅或大厅等公共场所内。吸气式早期探测系统的主机设于弱电间或能检修的吊顶内。
吸气式早期探测系统设计思想是在火灾初期 (过热、闷烧、或低热辐射和气溶胶生成等无可见烟雾生成阶段) 的探测与报警,报警时间比传统探测设备早数小时以上,可以在火灾生成初期消除火灾隐患,使火灾的损失降到最小。

吸气式早期探测系统的工作原理是通过分布在被保护区域内的采样管网采用主动空气采样探测方式,即采用高效抽气泵不间断地把被保护区域内的空气样品抽进探测室进行探测。采集的空气样品,经过一个特殊的过滤装置滤掉灰尘后送至一个特制的激光探测器,空气样品在探测器中经分析,将空气中燃烧产生的微粒加以测定,由此给出准确的烟雾浓度值,并根据使用者事先设定的报警烟雾
浓度值发出火灾警报。吸气式早期探测系统具有极高的灵敏度和很宽的灵敏度调节范围(0.005%~20% OBS/m),不但可以在火灾发生早期发现被保护区域内产生的常规火情,甚至可以发现由于线路过载造成的电缆绝缘皮软化所产生的微小烟雾。吸气式早期探测系统采用4级报警(警觉、行动、火警1、火警2)模式,且各级报警的阈值可根据不同的要求和环境灵活设置。吸气式早期探测系统可以在燃烧初期可见烟出现之前报警,从而最大限度地避免了被保护区域内的损失。而传统的感烟探头灵敏度仅为 3%~5%OBS/m,比吸气式早期探测系统发现火情报警最少要晚数小时。
7、报警系统可显示的主要内容有:各类型探测器状态;手动报警器动作;水流指示器及信号阀状态;防火卷帘门状态及操作;消防水池及消防水箱的水位控制;消火栓泵、喷淋泵、水喷雾、水炮专用泵、灭火系统起停操作及故障显示;开启排烟阀并有防火阀、排烟阀状态显示;排烟风机、正压送风机操作及故障显示和运行状态;专用直通电话操作;消防电源监视、报警;分区域切断非消防电源;强制所有电梯降于首层;开启着火层声光报警器;分区开启声光报警器;分区切换背景音乐,实行火警紧急广播。消防控制中心手动硬线控制,如消防泵、排烟风机、正压送风机、补风机等。
8、系统供电:从变电所引来专用双回路电源至消防控制中心(其中一路来自柴油发电机),在末端设双电源自动切换箱。火灾报警控制器设有专用蓄电池作备用电源。蓄电池的容量应按火灾报警器在监视状态下工作24小时后,再加上同时有两个分路报火警30min用电量之和计算,并应保证在消防系统处于最大负载状态下不影响火灾报警控制器正常工作。
9、系统接地:系统接地利用大楼联合接地装置,接地电阻值不大于1欧姆,由消防控制室接地板引至联合接地体的专用接地干线采用两根25 mm2多股铜芯绝缘导线引入;由消防控制中心接地板引至各消防设备的接地线选用多股铜芯绝缘软线,其截面不小于4 mm2。系统所有控制柜、控制箱以及金属线槽、线管、各种金属管道、构件等均应进行接地连接;从室外引入的线路应加装浪涌保护器。工作接地线和保护接地线必须分开,接地线不得串接。
二、消防联动控制系统:
根据消防规范的要求,在消防控制中心内设置消防联动控制台,采用硬拉线模式实现远程设备的手动控制。通过对联动台的控制操作,可以实现有关消防泵(含消火栓泵、喷淋泵、稳压泵)(启动):防排烟风机(启动)、可控的防火阀(打开);排烟风口(开启):空调机组(停止);非消防电源(切断);事故照明、疏散指示(启动);电梯迫降(启动);分区紧急广播(按顺序启动);补风机、排风机(启动);防火卷帘(降落);气体灭火系统(启动);大空间智能型主动灭火系统(启动);电动排烟窗(开启);挡烟垂壁(降落);常开防火门(释放关闭);门禁系统(释放)等重要设备的启动、停止的远程手动操作,并在联动主机上显示设备的手动、自动、启停、故障等运行状态。消防系统应提供可供其它系统采集信号的接口条件及免费接口协议,以便火警时联动其它相应系统设备。
三、紧急广播、公共广播及背景音乐系统:
公共广播系统的主机设备设置在播控机房。同时在消防控制中心设置紧急广播切换设备,公共广播系统设置多种音频接口,可以单独使用或与其它音频系统相互连接。正常情况时,公共广播系统满足不同区域播放音乐和定时播放提示语音的功能,可进行不同区域寻呼、定时开启或关闭广播系统。当发生火灾时,公共广播系统收到来自火灾报警系统的信号后,进行自动切换,进入紧急事故广播状态。
四、消防电话系统:
为保证火灾时通信的实时和畅通,消防工程设有消防电话系统。在消防控制中心内设置专用火警直通对讲电话总机,在消防泵房、主要变配电室、电梯机房、锅炉房、柴油发电机房、防排烟风机房及气体灭火系统应急操作处均设置火警专用电话分机。消防控制中心和各分机可以相互呼叫对讲,并可与各层手动报警器上的电话插孔,插入呼叫通话(每个手动报警按钮上均有)。在消防控制中心还设有向公安消防部门直接报警的外线电话。
五、消防泵巡检控制系统:
消防泵系统设有自动喷淋泵、消火栓泵、水喷雾雨淋泵、大空间智能灭火系统泵、自动互投柜、自动巡检柜、泵控柜等。所有的消防水泵均采用变流量恒压水泵,即泵从零流量到所需最大流量范围内变化时,其扬程变化在5%范围内,以防止系统出现超压现象。所有的消防水泵均设置自动巡检控制功能。利用控制柜内的编程控制器实时控制功能对各消防泵进行定期巡检。巡检周期7~20天,速度300转/min,每次运行时间5~15分钟。
六、消火栓系统:
在设备层水泵房设有消火栓泵,在各层的消火栓箱内均设有消火栓泵启动按钮,当消火栓按钮动作时,消火栓泵将自动启动,信号传到消防控制中心。在消防控制中心亦可自动或手动启/停消火栓泵,并监视其运行状态,显示消火栓泵的故障信号。
文物库房区消火栓处的启泵按钮与管道上安装的电磁阀和快速排气阀联动,发生火灾时按下启泵按钮启动消防泵的同时打开电磁阀,且电动快速排气阀打开排气,管道内充水,转入正常的湿式消火栓系统。
地下室消防水池设有水位报警信号,消防控制主机应监测其水位状况并可及时发出报警信号,使消防水池的水位维持在一定的范围内。消防工程给水水源由市政自来水管网供给,市政供水压力为0.18 MPa。室内消火栓应布置在明显易于取用处,其布置保证任意着火点都有2股充实水柱同时到达,水枪充实水柱13m,流量不小于5L/s。消火栓设计出口压力控制在0.19~0.5MPa,栓口压力超过0.5MPa,6m以下(含6m层)各层采用减压稳压消火栓。所有消火栓处均配带指示灯和常开触点的起泵按钮一个。每个消火栓箱下部设2具3A手提式磷酸铵盐干粉灭火器。系统设置地下式消防水泵接合器,流量15L/s,并设置室外消火栓。
七、自动喷水灭火系统:
自动喷水灭火系统是消防工程中设置量最大的设备,除了不易设置水灭火的场所外均设有自动喷水灭火系统。自动喷水灭火系统分预作用自动喷水灭火系统和湿式自动喷水灭火系统。其中所有展厅、文物库区(除气体灭火系统保护区域外)、文物库区外侧走廊、图书资料中心、报告厅、地下车库等场所采用预作用自动喷水灭火系统;预作用区域外其余区域均采用湿式自动喷水灭火系统。
预作用自动喷水灭火系统控制:预作用报警阀配套有空气压缩机和控制装置,平时维持其下游管网内低压气体气压,检测管网的密闭性,空气压力0.03MPa~0.05MPa。当管路破损或大量泄漏,空压机的排气量不能维持管路气压时,报警开关发出故障报警信号,提示管理人员对系统进行维修检测。火灾时,火灾保护区或着火楼层有两个以上火灾探测器发出火灾报警后,向消防控制中心发出火警,打开预作用报警阀上的电磁阀,同时打开着火区域管网末端的电动快速排气阀前的电动阀排气,使阀前的压力水进入管路,同时空压机停机。预作用报警阀开启后,压力开关动作直接启动喷洒主泵,向系统快速充水,水力警铃报警。喷洒泵也可在消防控制中心和泵房内手动启、停。喷洒泵开启后,只能手动停泵。
所有展厅、文物管理与办公用房区、设备机房区域的自动喷洒系统均采用快速响应喷头。地下车库采用动作温度74℃的易熔合金直立式喷头,其它均采用玻璃球喷头。 厨房灶台上部喷头公称动作温度为93℃外,厨房其它部位为79℃。报告厅舞台格栅上部喷头动作温度为79℃,其余喷头公称动作温度为68℃
八、水喷雾系统:
消防工程在燃气锅炉房和柴油发电机房采用水喷雾系统保护。水喷雾系统设有自动控制、手动控制和应急操作三种控制方式。当响应时间大于60S时,可采用手动控制和应急操作两种控制方式。雨淋阀的开启由火灾自动报警系统控制。
1、自动控制:火灾时着火部位的双路火灾探测器接到火灾信号,自动开启对应雨淋阀控制腔泄水管上的电磁阀(常闭),腔内水压下降阀瓣在阀前水压作用下被打开,雨淋阀上的压力开关报警。
2、手动控制:火灾时接到着火部位火灾探测信号后,可在消防控制中心和防护现场手动开启相应的电磁阀,并启动水喷雾系统加压泵(水泵流量50L/S)。
3、应急操作:火灾时人为地现场操作雨淋阀组和水喷雾加压泵。
九、雨淋系统:
消防工程在报告厅舞台采用雨淋系统保护。雨淋灭火系统包括雨淋阀组、开式雨淋喷头、水泵(流量为50L/S)等。雨淋系统设有自动控制、消防控制中心手动远程控制和水泵房现场应急操作三种控制方式。
1、自动控制:火灾时保护区内的火灾自动报警系统发出信号,打开雨淋阀控制膜室排水管上的电磁阀,雨淋阀控制膜室压力下降,雨淋阀开启,压力开关动作自动启动雨淋泵向系统供水。
2、手动控制:雨淋阀在舞台有人时为防止误喷设为手动控制,火灾时接到着火部位火灾探测信号后,不开启水泵,待舞台现场人员确认火灾后可在消防控制中心远控手动开启相应的电磁阀,并启动系统加压泵。
3、应急操作:火灾时人为地现场操作雨淋阀组和水泵房现场启动雨淋泵。
十、大空间智能型主动喷水灭火系统:
消防工程在净空高度大于12m且地面有火灾荷载的部位设置大空间智能型主动喷水灭火系统,选用自动扫描射水高空水炮灭火装置。大空间智能型主动喷水灭火系统工作原理为:水炮为红外探测器、水炮一体化设置。红外探测组件全天候探测保护范围内的一切火情,一旦发生火灾,探测器探测到火灾后发出指令联动打开相应的电磁阀,启动消防水泵、水炮喷水进行灭火,驱动现场的声光报警器进行报警,并将火灾信号送到火灾报警控制器。扑灭火源后,装置再发出指令关闭电磁阀,停止喷水并停泵。若有新火源,则系统重复上述动作。
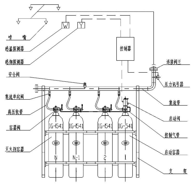
十一、气体灭火系统:
气体灭火系统设置部位包括变配电室、文物库区的库房、档案资料室、网络数据中心、重要的机房等。IG-541是由三种自然界的气体:氮气、氩气和二氧化碳混合组成,是一种无色、无味、不导电的混合气体,其密度大约和空气密度相等,由52%氮、40%氩、8%二氧化碳组成,属于惰性气体灭火剂。IG-541的灭火机理是通过降低防护区中的氧气浓度(由空气正常含氧量的21%(体积分数)降至12.5%(体积分数)),使其不能维持燃烧而达到灭火的目的。采用管网组合分配系统,实行全淹没灭火方式,系统最小设计浓度37.5%,最大设计浓度43.0%,灭火时间限于1分钟内。气体灭火系统的控制,要求同时具有自动控制、手动控制和应急操作三种控制方式。
1、自动控制:当防护区发生火警时,气体灭火控制器接到防护区两个独立火灾报警信号后立即发出联动信号(关闭通风空调等)。经过30秒时间延时,气体灭火控制器输出信号启动自动灭火系统,IG-541经管网释放到防护区,控制器面板喷放指示灯亮,同时控制器接收压力讯号器反馈信号。防护区内门灯显亮,避免人员误入。
2、手动控制:当防护区经常有人工作时,可以通过防护区门外的手动/自动转换开关,使系统从自动状态转换到手动状态,当防护区发生火警时,控制器只发出报警信号,不输出动作信号。由值班人员确认火警,按下控制器面板或击碎防护区门外紧急启动按钮,即可立即启动系统,喷放IG-541灭火剂。
3、应急操作:当自动、手动紧急启动都失灵时,可进入储瓶间内实现机械应急操作启动。只需拔出对应防护区启动瓶上的手动保险销,拍击手动按钮,即可完成系统的启动喷放。

十二、系统调试与验收:
消防系统的调试内容和具体要求及验收应满足现行国家规范的要求。
1、消防系统施工完成后,应进行各系统的联合调试,其中火灾自动报警系统及与其联动的各系统设备的消防功能均应纳入系统的调试范围。
2、整个消防系统调试完毕后,工程施工方应负责组织对整体工程进行消防检测,取得建筑消防设施技术测试报告后.方可验收。
3、建设单位向当地公安消防机构提交申请验收报告并送交有关技术资料。
4、验收通过后,工程施工方应提交有关设计资料、调试记录、竣工图纸、检测记录、竣工报告等技术资料。
十三、系统培训:
系统验收完成后,工程施工方的工程技术人员应对业主方的技术人员进行现场培训,讲授说明本系统各种设备的安装、操作、保养和应该注意的事项,使业主方的技术人员能够尽快地熟悉设备的性能和使用。
结语,博物馆建筑对防火安全的要求是其他民用建筑无法比拟的。其消防系统的设计关系到百年大计随着越来越多像博物馆这种特殊建筑的出现,新型的消防措施也会不断涌现。
(本文图片由作者提供)