产品详情
描述:
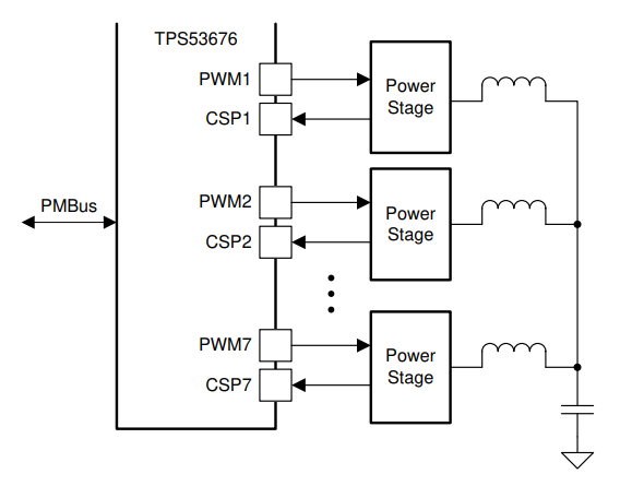
TPS53676 是一款降压控制器,具有双通道、内置非易失性AD9754AR存储器 (NVM) 和 PMBus 兼容串行接口,并且与 TI NexFET 智能功率级完全兼容。D-CAP+ 架构等高级控制功能提供快速瞬态响应、低输出电容和良好的电流共享。该器件还提供了新颖的相位交错策略和灵活的点火序列,以提高热性能。还支持对输出电压压摆率和电压定位的可调节控制。此外,该器件支持 PMBus 通信接口,用于向系统主机报告电压、电流、功率、温度和故障条件的遥测数据。
TPS53676 器件采用耐热增强型 48 引脚 QFN 封装,额定工作温度范围为 –40°C 至 125°C。
特性:
●输入电压范围:4.5 V 至 17 V
●输出电压范围:0.25 V 至 5.5 V
●每相开关频率范围:300 kHz 至 2000 kHz
●双输出支持 N+M 相配置(N+M ≤ 7,M ≤ 3)
●符合 AVSBus,根据 PMBus 1.3.1 第 III 部分
●PMBus v1.3.1 系统接口,用于电压、电流、功率、温度和故障状态的配置、控制和遥测
●通过 VOUT_COMMAND 的自适应电压缩放 (AVS)
●增强的 D-CAP+ 控制以提供具有出色动态电流共享的超瞬态性能
●可编程环路补偿
●灵活的相位触发顺序
●用于 Ch 的外部 pinstrap。A开机电压设置
●单相电流校准和报告
●阶段热平衡管理 (TBM)
●完全支持动态切相 (DPS)
●用于减少下冲的快速相位添加 (USR)
●用于减少过冲 (OSR) 的体二极管制动
●用于高效高频开关的无驱动配置
●与 TI NexFET 功率级完全兼容,适用于高密度解决方案
●精确、可编程的自适应电压定位 (AVP)
●获得专利的 AutoBalance 相位平衡
●6 mm × 6 mm、48 引脚、QFN 封装
应用:
●数据中心网络交换机
●园区和分支交换机
●核心和边缘路由器
●硬件加速卡
●高性能 CPU/ASIC/FPGA 电源
参数:
输入电压 (最小值) (V):4.5
输入电压 (最大值) (V):18
输出电压 (Min) (V):0.25
输出电压 (最大值) (V):5
输出 (最大) (A):280
Iq (典型值) (uA):50000
开关频率 (Min) (kHz):300
开关频率(最大)(kHz):2000
特征:可调电流限制、动态电压调节、启用、频率同步、I2C、轻负载效率、多输出、相位交错、电源良好、预偏置启动、远程感应、同步整流、UVLO 可调、电压裕度
调节输出 (#):2
相数:7
