产品详情
描述:
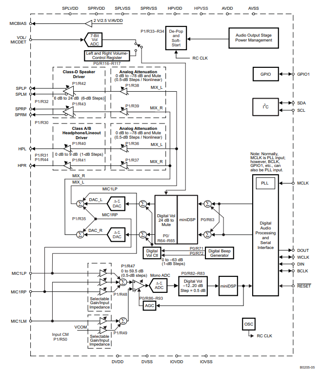
TLV320AIC3111 是一款低功耗、高度集成的高性能编解码器,可提供立体声音频 DAC 和单声道音频 ADC。
TLV320AIC3111 具有高性能音频编解码器,具有 16 位立体声播放和单声道录音功能。该器件集成了多种模拟功能,例如麦克风接口、耳机驱动器和扬声器驱动器。
TLV320AIC3111 具有用于数字音频处理的完全可编程 miniDSP。数字音频数据格式可编程以在主、从、DSP 和 TDM 模式下使用流行的音频标准协议(I 2 S,左/右对齐)。可编程数字信号处理模块可以支持低音增强、高音或ADV7403BSTZ-110均衡器。
片上 PLL 提供数字信号处理模块所需的高速时钟。音量可以通过引脚控制或寄存器控制来控制。使用 I 2 C 串行总线控制音频功能。
TLV320AIC3111 具有可编程蜂鸣发生器,采用 32 引脚 QFN 封装。
特性:
●具有 95dB SNR 的立体声音频 DAC
●具有 91dB SNR 的单声道音频 ADC
●支持 8kHz 至 192kHz 独立 DAC 和 ADC 采样率
●指令可编程嵌入式 miniDSP
●具有直接电池连接的立体声 1.29-W D 类 BTL 8-Ω 扬声器驱动器
●1 个差分输入和 3 个单端输入,带混音和电平控制
●带偏置、前置放大器 PGA 和 AGC 的麦克风
●带有用户可编程双二阶和 FIR 滤波器的内置数字音频处理模块
●数字混音能力
●用于低音增强/高音/均衡器的可编程数字音频处理器,具有多达五个用于录制的双二阶和多达六个用于回放的双二阶
●数字播放音量控制设置的引脚控制或寄存器控制
●用于哔声的正弦波发生器
●用于可编程数字音频处理器的集成 PLL
●I 2 S、左对齐、右对齐、DSP 和 TDM 音频接口
●I 2 C 控制寄存器自动递增
●完全掉电控制
●电源:
○模拟:2.7 V–3.6 V
○数字内核:1.65 V–1.95 V
○数字 I/O:1.1 V–3.6 V
○D 类:2.7 V–5.5V(SPLVDD 和SPRVDD ≥ AVDD)
●5mm × 5mm 32-QFN 封装
应用:
○便携式音频设备
○移动互联网设备
○自适应过滤应用
参数:
ADC 通道数:1
DAC 通道数 (#):2
数字音频接口:左、右、I2S、TDM、DSP
模拟输入:3
采样率(最大)(kHz):192
ADC 信噪比 (典型值) (dB):90
DAC 信噪比 (典型值) (dB):95
大约。价格(美元):1ku | 3.150
