接上一篇:关于 LAYOUT通用原则在LLC系列方案中提升稳定性的应用做分享,本篇对LAYOUT中ESD的对策及瑞森LLC系列方案做设计时,关键物料选型事项继续做分享。

一、PCB LAYOUT中ESD的对策
(一)PCB LAYOUT的关键中的重点:功率回路经过正确的路径回流。
(二)在不同电位的两个铜箔之间,尤其是高压侧与低压侧的间距需要大于或等于P,如下公式:P 〉0.015*(VA-VB)。
其中P:ESD安全放电间距(mm);(VA-VB):两点间电压(V)。(如图位置一)
(三)在共模电感两端或安规电容两端加ESD放电铜箔,采用双放电铜箔可以有效提升放电效果,如果长期持续ESD放电则会导致铜箔钝化,则建议采用放电管放电。尖端铜箔设计:尖端铜箔必须是锐角(重点),尖尖相对。(如图位置二)
(四)PCB LAYOUT 铜箔走线采用圆弧状倒角可减少EMC干扰与异常尖端放电。(如图位置三)

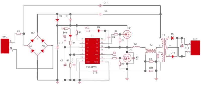
二、RSC6105S-RSC6120S系列关键物料选型注意事项

典型应用线路图
(一)针对瑞森半导体-单级PPFC实现高PF的性能,BD1整流桥的(四个二极管)参与了功率因数校正,四个二极管的须选用具有快恢复特性的二极管,Trr应小于250nS,Trr越小PF值越高,THD相对越小,需要兼顾辐射的结果,类型推荐HER 、FR、US、ES等系列。
(二)电荷泵二极管D1,须选用超快恢复二极管,如Trr小于75ns,类型推荐US、ES等系列。
(三)自举二极管D4,须选用快恢复二极管,配合RSC6105S-RSC6107S时,选用Trr小于250ns,类型推荐HER、FR、US、ES等系列;另外配合RSC6112S-RSC6120S 时,选用Trr小于100ns的超快二极管,类型推荐US、 ES系列。
(四)对于功率大于60W的产品,电荷泵电容C1,谐振电容C3,需要采用MMKP82系列具有高频特性优异的电容,可有效降低电容发热。
(五)互感电感T2,该电感磁芯不需要研磨气间隙,匝数控制在6圈即可。互感电感作为一个重要元器件,通过其采样主回路电流波形幅度以及频率,经过负载电阻R8、R11R12后,可转换为电压信号输入到芯片内部压控振荡器,以此来调节输出开关频率,调制增益,实现恒流调节。
(六)主变压器T1,有两种模式存在:①当谐振电感采用独立的电感时,主变压器磁芯则不需要研磨气间隙,但磁芯材质需要PC44等级或以上。②变压器采用分槽式结构,主变压器与谐振电感集成在一体时,有副磁芯的变压器结构,副磁芯需要调整气间隙,没有副磁芯的分槽式结构,是通过调整间距实现漏感做电感,磁芯也不需要气间隙。
三、瑞森半导体无频闪驱动IC产品推荐
运用LAYOUT技巧改善性能,可提升产品性价比,把握关键物料选型可降低产品故障率,缩短产品开发周期,加快产品上线;下图为大家推荐瑞森高PF无频闪LLC方案系列产品:
