产品详细信息
描述:
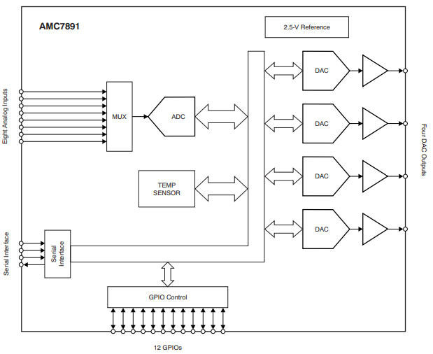
AMC7891是一个高度集成、低功耗、完整的模拟监控系统,封装非常小。
对于监控功能,AMC7891有8个未提交的输入,复用到10位SAR模数转换器(ADC)和精确的片上AD7817BRZ温度传感器中。控制信号通过四个独立的10位数模转换器(DAC)生成。通过12个可配置GPIO实现额外的数字信号监测和控制。内部参考可用于驱动ADC和DAC。
通过与工业标准微处理器和微控制器兼容的多功能四线串行接口与设备进行通信。串行接口可以在高达30 MHz的时钟频率下工作,允许快速访问关键系统数据。
该设备的特点是在-40℃至105℃的温度范围内工作,并且可采用非常小的36针、6毫米×6毫米QFN封装。
AMC7891的低功耗、小尺寸和高集成度使其成为现代RF晶体管模块(如RF通信系统中的功率放大器(PA)和低噪声放大器(LNA))的理想低成本偏置控制电路。AMC7891功能集同样适用于通用监控系统。
对于需要不同信道计数、附加功能或转换器分辨率的应用,德州仪器提供完整的模拟监控(AMC)产品系列。
特性:
●10位,500kSPS SAR ADC:
○8个外部模拟输入
○VREF,2×VREF输入范围
●四个10位单音DAC:
○0至5V输出范围
○高达10 mA的汇和源能力
○通电复位至0 V
●内部2.5V参考
●内部温度传感器:
○-40°C至+125°C操作
○±2.5°C的精度
●12个通用I/O端口:
○1.8V至5.5V操作
●低功耗SPI兼容串行接口:
○4线模式,1.8V至5.5V操作
○SCLK高达30 MHz
●温度范围:-40°C至+105°C
●低功率:32.5 mW,5V,全工作条件
●节省空间封装:36针,6-mm×6-mm QFN
应用:
●蜂窝基站
●射频通信系统
●光网络
●通用监控
参数:
ADC通道数:8
ADC分辨率(位):10
DAC通道数(#):4
DAC:分辨率(位):10
温度传感:本地
GPIO:12
接口类型:SPI
特点:GPIO,温度传感器
工作温度范围(℃ ):-40至105
ADC:采样率(KSPS):500
ADC:模拟输入范围(最小值)(V):0
ADC:模拟输入范围(最大值)(V):5
DAC:沉降时间(uS)3.
DAC:输出满量程(最小值)(V):0
DAC:输出满量程(最大值)(V):5
