产品详情
描述:
LM3538 是一款高度集成的 LED 驱动器,能够并行驱动 6 个 LED,用于单显示器背光应用。独立的 LED 控制允许为部分照明应用选择主显示 LED 的子集。
I 2 C 兼容控制允许背光功能的完全可配置性。LM3538 提供多区域环境光感应功能,可在环境光条件发生变化时实现自主背光强度控制。还提供了 PWM 输入,为用户提供了一种根据显示内容动态调整背光强度的方法。
四个集成 LDO 可通过 I 2 C 完全配置,能够满足集成摄像头模块等功能的负载点调节需求。LDO 可以由主电池电源供电,也可以由外部降压转换器(后调节)的固定输出电压供电,从而提高转换效率。
LM3538 通过在 3/2 增益或通过模式下运行电荷泵,无需使用AD8044ARZ-14电感器即可提供出色的效率。根据 LED 正向电压选择用于维持电流调节的适当增益,以便在输入电压范围内最大化效率LM3538 采用微型 30 凸点 DSBGA 封装。
特性:
灯光:
●6通道背光能力
●内部 ALS 引擎;支持 CABC 的 PWM 输入
●用于环境光传感器的内置电源和增益控制
●效率高达 90%
●具有 1 倍和 1.5 倍增益的自适应电荷泵可实现最高效率
●128 个 A 组调光步骤,指数或线性调光,可通过寄存器设置选择
●B组8种线性调光状态
LDO:
●4 个可编程 LDO(300mA/150mA 输出电流)
●默认启动电压状态
●低压差电压:100mV 典型值。在 150mA 负载电流
●LDO 输入电压 = 1.8V 至 V IN_A
●过载保护
组合的共同特征:
●宽输入电压范围:2.7V 至 5.5V
●I 2 C 兼容串行接口
●2 通用输出
应用:
●智能手机照明
●MP3 播放器、游戏设备
●数码相机
参数:
通道数 (#):6
输入电压 (最小值) (V):2.7
输入电压 (最大值) (V):5.5
输出电压 (Min) (V):2.7
输出电压 (最大值) (V):5
类型:电容式
开关频率(最大)(kHz):1.3
每个通道的 LED 电流 (mA):25
峰值效率 (%):90
拓扑:多通道
特征:使能/关断、I2C 控制、PWM 控制
工作温度范围(℃):-30 到 110
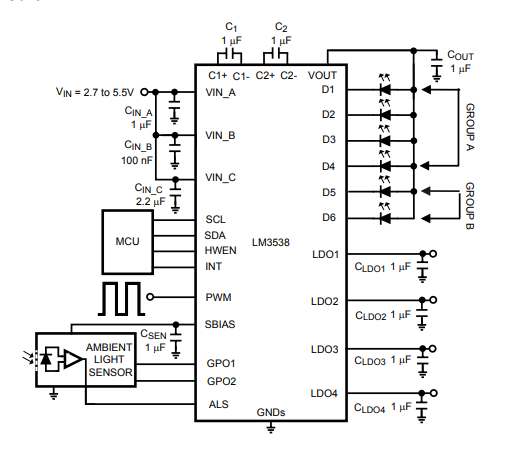
◆LM3538典型应用电路

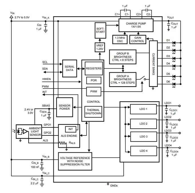
◆LM3538 框图
