单位:浙江巨磁智能技术有限公司
作者:曹宏达
全球光伏产业正经历从"效率优先"向"系统级性能优化"的深刻变革。随着碳化硅(SiC)功率器件在光伏逆变器中的渗透率突破20%(据Yole预测,2025年将达35%),行业对电流检测技术提出了前所未有的挑战。作为国内实现霍尔传感芯片自主开发的电流传感器方案商,我们即将推出的2MHz带宽电流传感芯片,正在重新定义高频电力电子系统的监测标准。
一,SiC器件重塑光伏逆变器格局

技术革命:
●开关频率提升3-5倍:行业最新SiC模块已实现100kHz以上开关频率(传统IGBT约20kHz),减少无源器件体积达60%
●系统效率突破99%:在1500V光伏逆变器 中,SiC方案效率突破99%,而IGBT因损耗高无法满足光储系统 25年寿命要求。
●耐温性能质变:科锐第三代SiC器件可在200℃环境下稳定工作,允许更紧凑的散热设计
●成本拐点:随着先进8英寸衬底量产,2024年SiC器件成本较硅基方案差距收窄至1.3倍(2020年为4倍),在150kW以上系统中已具备全生命周期成本优势
二,行业标杆案例验证技术方向
高频电流传感器的关键位置
(1)光伏组串输入端(DC侧)
位置:位于光伏组串与逆变器DC输入端之间。
功能:监测每路组串的输入电流,实现MPPT(最大功率点跟踪),优化发电效率;检测输入过流或短路故障,保护直流母线电容和功率器件。
(2)DC/DC升压电路输出端
位置:升压电感或DC/DC变换器输出端(直流母线)。
功能:监控升压后的直流母线电流,确保电压稳定;配合SiC MOSFET高频开关控制,优化动态响应。
(3)逆变桥臂交流输出端(AC侧)
位置:逆变器H桥或三相桥臂的输出端(滤波电感前)。
功能:实时采集交流电流波形,用于PWM调制算法和闭环控制;检测过载或谐波畸变,保障并网电能质量(如THD<3%)。
(4)交流并网点
位置:逆变器输出端与电网连接点(滤波电感后)。
功能:监测并网电流,满足电网规范(如低电压穿越);检测孤岛效应,确保系统安全。

- 某逆变器龙头企业宁夏200MW项目:
●采用基于SiC的三电平拓扑结构,开关频率提升至75kHz
●部署高频传感器后,MPPT动态响应速度加快40%,单日发电量提升2.7%
●成功通过CQC认证的1500V系统电压下连续72小时满负荷测试
- 特斯拉Powerwall 3技术迭代:
●新一代储能逆变器将开关频率提升至120kHz
●需在5μs内完成过流保护触发,对传感器响应延迟提出<1μs硬性要求
三,高频电流检测的技术挑战与突破
行业痛点:
●开关瞬态盲区:当SiC开关速度达到100KHz以上时,传统<200kHz带宽传感器会丢失30%以上的关键瞬态信息
●电磁干扰倍增:高频工况下寄生参数导致共模干扰强度增加20dB,对CMTI指标提出120kV/μs新要求
●热管理压力:模块化设计使传感器安装空间压缩至传统方案的1/4
Magtron解决方案:
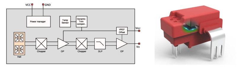
●2MHz带宽:完整捕获SiC开关过程中的振铃、过冲等瞬态特征,时间分辨率达200ns
通过10MHz的调制解调开关频率在时域与频域实现双重突破:
由于主信号环路中的斩波模块(调制解调)的斩波频率高达10MHz级别,同时主信号链路选取高带宽运放高性能运放、数字滤波器等模块。使得整系统电路的信号带宽可以做到较高的频率响应特性。

高频传感器对高频电流的检测检测响应
传统200KHz电流传感器(左)与Magtron 2MHz带宽电流传感器(右)

●集成式磁聚焦结构

●传感器多核探头,提高精度和带宽的同时,提升传感器本身抗干扰能力

●-40~+125℃宽温区下精度保持±0.5%FS
内置温度传感器模块,可以对芯片进行实时温补,保证在全寿命周期保持较高性能
可自调整的过载保护机制,可以为后端提供fault报警信号
四,结语
当光伏逆变器的功率密度向50kW/L迈进,当SiC器件的开关损耗降至硅基方案的1/5,电流检测技术正从"配套元件"升级为"系统使能者"。我们诚邀行业伙伴共同探索高频电力电子的检测边界,以每秒百万次的数据洞察,守护每瓦特清洁能源的完美转化。