产品详情
描述:
LF147 是一款低成本、高速四路 JFET 输入运算放大器,具有内部调整的输入失调电压(BI-FET II 技术)。该器件需要低电源电流,但仍保持大增益带宽积和快速转换速率。此外,匹配良好的高压 JFET 输入器件可提供非常低的输入偏置和偏移电流。LF147 与标准 LM148 引脚兼容。此功能允许设计人员立即升级现有 LF148 和 LM124 设计的整体性能。
LF147 可用于ADC10738CIWM高速积分器、快速 D/A 转换器、采样保持电路以及许多其他需要低输入失调电压、低输入偏置电流、高输入阻抗、高转换率和宽带宽的电路中,该器件具有低噪声和失调电压漂移。
特性:
●内部调整的失调电压:5 mV(最大值)
●低输入偏置电流:50pA
●低输入噪声电流:0.01 pA/√Hz
●宽增益带宽:4 MHz
●高压摆率:13V/μs
●低电源电流:7.2mA
●高输入阻抗:10 12 Ω
●低总谐波失真:≤0.02%
●低 1/f 噪声角:50 Hz
●到 0.01% 的快速稳定时间:2 μs
参数:
通道数 (#):4
总电源电压(最大值)(+5V=5,+/-5V=10):44
总电源电压(最小值)(+5V=5,+/-5V=10):5
轨到轨:不
GBW(典型值)(MHz):4
转换率(典型值)(V/us):13
Vos(失调电压@ 25 C)(最大值)(mV):5
每通道 Iq(典型值)(mA):1.8
1 kHz 时的 Vn(典型值)(nV/rtHz):20
工作温度范围(℃):-55 至 125
偏移漂移(典型值)(uV/C):10
输入偏置电流(最大值)(pA):200
CMRR(典型值)(分贝):100
输出电流(典型值)(毫安):30
建筑学:场效应管
◆LF147简化示意图

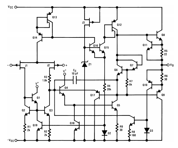
◆LF147详细示意图
